设计目的
为后级提供足够的增益以克服后级电路噪声
尽可能小的噪声和信号失真
确保输入和输出端的阻抗匹配
确保信号线性度
评价标准
噪声系数
功率增益
工作频率和带宽
输入信号功率动态范围
端口电压驻波比
稳定性
基于SP模型的LNA设计
直流分析
S参数分析

设计指标 :
噪声系数:
增益:
工作频率和带宽
输入信号功率动态范围
端口驻波比
稳定性
sp模型分为"pb_hb_"和"sp_hb_",其中第一个是封装类模型(用于直流和偏置电路扫描设计),第二个是S参数模型,用于射频性能仿真。
设计步骤:
SP模型制作安装
直流工作点扫描和选取
S参数特性仿真
阻抗匹配
稳定性、噪声系数、增益的优化仿真
以AT41533设计:NF<2.5dB;Gain>8dB;VSWR<2;K>1
选择工作点(Vce=2.7V,Ic=5mA)
BJT Curve Tracer:能测量 BJT 的各种特性曲线,如输入特性曲线(基极电流\(I_B\)与基极 - 发射极电压\(V_{BE}\)的关系)和输出特性曲线(集电极电流\(I_C\)与集电极 - 发射极电压\(V_{CE}\)的关系)。通过这些曲线,可以直观地了解 BJT 在不同工作条件下的电气性能。


S参数分析:


增益=4.97<8,用微带线进行阻抗匹配:
微带线:宽度决定特性阻抗、长度决定电容电感特性。


基于实际晶体管模型的LNA设计
控件:直流伏安特扫描控件、偏置电路扫描控件、

- 通过S参数分析晶体管绝对稳定特性和最大转移增益是否满足要求
- 根据数据手册选取静态直流工作点(根据噪声系数、增益等要求)
- 晶体管库文件安装
- 添加DC_BJT或DC_FET控件进行晶体管直流特性分析
- 在TransistorBias面板选择偏置电路控件完成偏置电路设计
- 利用stabfact和Maxgain控件求解偏置电路下的稳定因子K曲线和最大增益曲线
- 若K或Gain不满足要求,修改电路或更换晶体管
- 如果电路中电感为非标准值,则需要将电感值转换为微带线
(经验公式)
- 仿真已选偏置电路下的噪声系数,通过开启S参数仿真控件“Calculate noise”
- 输入阻抗求解
- 输入阻抗匹配
- 输出阻抗求解
- 输出阻抗匹配
本质就是一个真实的、接近事实应用环境的晶体管模型,可以直接应用于实际电路设计,其封装的内部电路结构与实际完全一致。
设计指标:NF<0.6dB;Gain>15dB;K>1
由图1、3可知:当vds(vce)=3V、Ids(Ic)在10mA~60mA时满足NF<0.5,且Ids>10mA时,Gain>15dB.
因此可以在Vds=3V,Ids在10mA~60mA时任选一点作为静态工作点满足设计指标。
比如我们选择Vds=3V,Ids=20mA,选好静态工作点后就可以设计偏置电路(ADS自动设计)

导入库
静态工作点选择(分析福安特性曲线):
栅极连接Gate,漏极连接Drain,源极接地
VGS_start:栅极起始电压;VGS_stop:栅极终止电压;VGS_point:栅极电压采样点

结果(m1:3V,60mA)

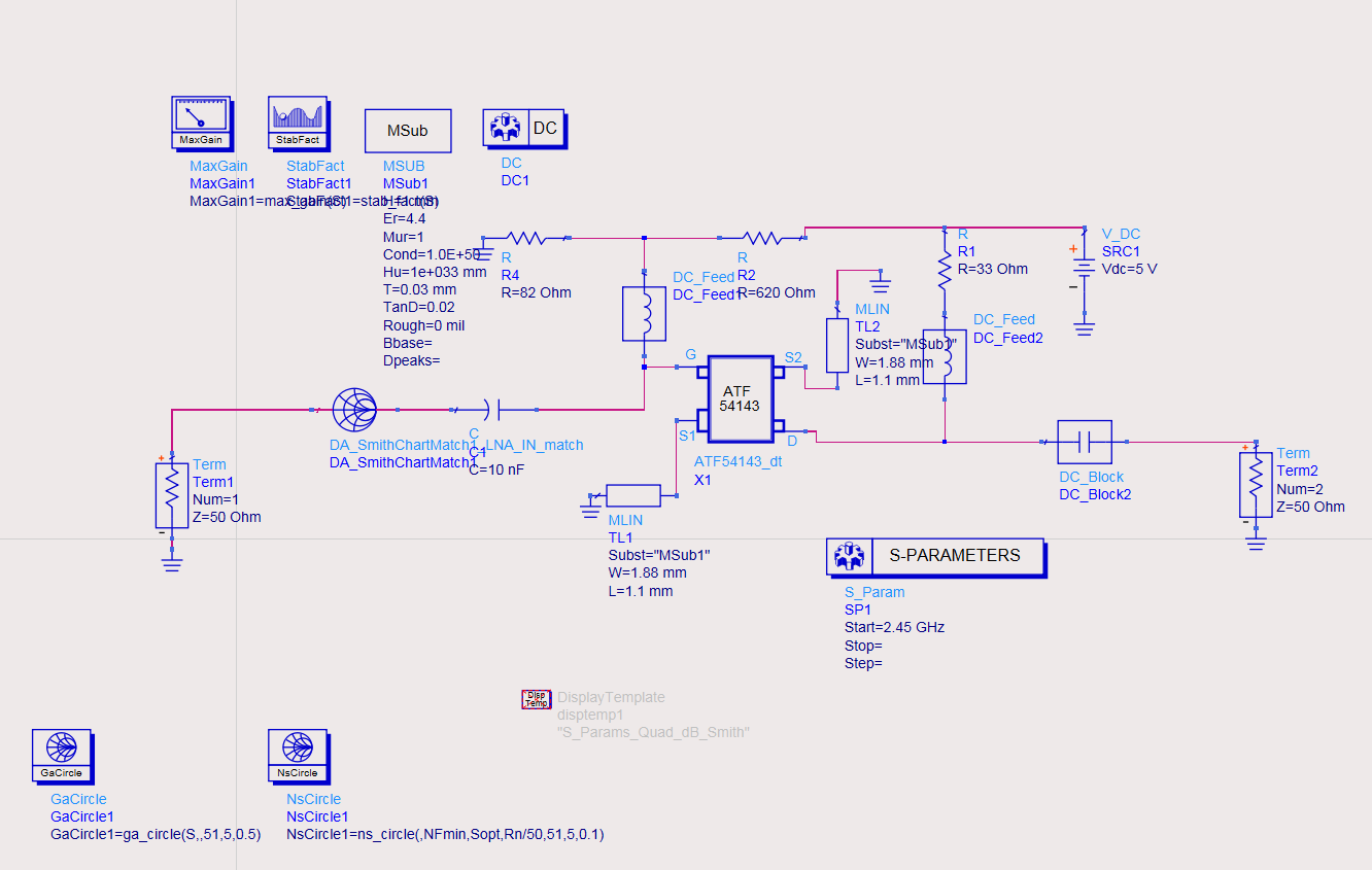
偏置电路设计





自动设计好的偏置电路:
查看结果并调整
Vds不足60mA,调整偏置电路

新建原理图改成实际电路

求解最大资用增益和K
是否满足Gain>15dB、K>1

隔交流电感:避免交流信号影响直流偏置
隔直流电容:避免交流信号影响直流信号
K不满足,要么修改电路增加负反馈,要么修改晶体管
在源极串联电感(微带线电感)改善K值

求解噪声系数(理想噪声)


通过做匹配使实际噪声无限靠近理想噪声
绘制等增益圆和等噪声系数圆

选择M2作为匹配点

需要把 24.187-j6.335匹配到50Ω(直接用smith工具匹配)

输出端也要匹配

结果:

