2024-7-4,星期四,16:23,天气:晴,心情:晴。今天没有什么特殊的事情发生,继续学习啦,加油加油!!!
今日继续进行模电自选教材第二章内容的学习,主要学习内容为:整流滤波电路与IC稳压器,二极管限幅电路与钳式电路并完成了相应公式的推导与例题练习;单片机方面,开始学习单片机自选教材的第四章内容(点亮LED流水灯)。
一、二极管及其应用(续)
1. 整流滤波器和IC稳压器
电源滤波器的主要作用是大幅减小整流器输出电压的波动,使之形成幅值接近恒定的直流电压(电流),通常使用大电流进行滤波,为了改善滤波效果,电容(输入滤波器)后一般会接稳压器。
(1)电容输入滤波器
第一阶段:如下图所示,在输入正向前四分之一周期,二极管正向偏置,在二极管输入达到峰值(VP(in))到开始下降前的这段时间,允许电容进行充电。

当输入开始从峰值下降时,如下图所示,电容会继续充电,二极管反向偏置(这不好理解,是因为此时电容已经充电至峰值电压VP,一旦输入电压下降,就会小于电容电压,此时电容相当于电源,也就等效于电容的正极接到二极管的负极,当然是反向偏置),交流电源断开,在这个周期的剩下时间到下一个周期开始时,电容只能通过负载电阻以一定速率放电,放电速度取决于时间常数RC,RC越大,放电速率越小,放电时间越长。

在下一个周期到达峰值前,当输入电压超过电容器电压一个二极管压降时(Vin - Vc ≥ VB),二极管重新正向偏置。

对于电容输入滤波器,有以下两个重要概念:
-
波纹电压:从上述滤波器的工作过程可以看出,电容在一个周期开始快速充电,当二极管反向偏置时电容又会通过RL缓慢放电,由于充放电引起的电压变化会形成波纹电压(本质上时电能的一种耗散!!!!),如下图所示,波纹电压越小,滤波效果越好(越接近直线)。对给定的输入频率,因为两个全波脉冲间的间隔比两个半波间更短,所以相比半波整流电压,全波整流电压的波纹电压更小,且两个全波脉冲的间隔越短,电容放电越少,电压波纹也越小

-
电容输入滤波器的浪涌(Surge)电流:当电源刚开始接通时,滤波电容未充电,当开关闭合的瞬间,电压向短路一样直接加到整流器和未充电的电容器上(最坏的情况是二次电压达到峰值时开关闭合,两用电流最大),如下图所示:

-
浪涌电流很可能损伤二极管,所以一般会在电路中加一个浪涌限制电阻器Rsurge,且为了防止电阻器分走过多的电压,这个电阻器一般要求阻值很小,同样,二极管必须拥有额定的正向电流使它能够承受瞬间的浪涌电流。

知识补充:工程实际中,一般使用NTC(负温度系数)热敏电阻控制浪涌电流,冷NTC热敏电阻阻值较大,浪涌电流加热NTC热敏电阻会时其阻值降到很小,直到其两端压降可以忽略为止。系统断电后,NTC热敏电阻恢复到可以控制大电流的阻值是需要时间的(一般1min),所以对于一些需要短时间内开闭的系统则需要一些主动限流措施(NTC热敏电阻知识会在后面详细介绍)
(2)IC稳压器:IC稳压器是一块集成芯片,即使输入、负载电流或温度发生变化,他也能始终保持输出电压和电流的恒定,因此当需要将滤波器的纹波电压降低到很小时,最有效的办法是将电容输入滤波器与IC稳压器组合使用。
目前常用的IC稳压器具有三个端子——输入端、输出端和参考端,电容器首先对输入进行滤波,使波纹减小到10%左右,然后稳压器可以把波纹电压减少到忽略不计。
目前三端稳压器的常用接法如下图,只需要连结外部电容器就可以完成对电源的稳压调整,此外,为了防止振荡,当电容滤波器与IC稳压器不是很接近使再并联一个小的输入电容器,为了改善暂态响应,再在输出端并联一个很小的输出电容器(一般0.1μF)。

2. 二极管限幅电路与钳式电路
限幅器主要用于对信号高压高于或低于某值的部分进行限幅;钳位器常用于将直流电平还原为电信号。
(1)二极管限幅电路:下图为正向限幅器(限制或削掉输入信号的正部分),当信号为正时,二极管正向导通,因为此时阴极接地,所以阳极不会超过0.7V(导通后相当于小电源+导线,此时Vout即为A点电位VA - 0,即二极端端电压),输出电压Vout即是二极管两端的端电压,故当输入超过该值时,Vout就会被限制在0.7V,当输入信号为负半周期时,二极管反向截止,输出电压Vout与输入电压波形相同,但是幅值由R1和RL共同决定,即串联分压:
Vout = [(RL / (R1 + RL)) × Vin]。

将二极管正负极兑换,则可用于限制负部分输入信号。
-
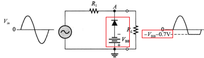
限幅电平的调节:为了调节对信号电压进行限幅的电平大小,可以将一个偏置电压于二极管串联,这样一但开始导通,A点电压就可以限幅在VB+0.7V,且随着偏置电压的增大或减小,限幅电平也会随之增大或减小:


同样的,如果需要限制某个指定负值的电平,那么二极管和偏置电压应该按下图连接,此时当负向VA< -VBB - 0.7V时,二极管才会导通。

(2)二极管钳位电路(直流分量还原器):相当于在交流信号上加了一个直流电容(结果表现为在输出波形中插入了一个正直流电平),下面将简介其工作原理:
第一阶段:当输入开始为负时,二极管正向偏置,允许电容器充电至接近输入峰值电压(Vp(in) - 0.7V),一旦越过峰值,二极管反向偏置(原因与滤波器相同,此时电容器通过充电将阴极维持在高电位Vp(in))。

第二阶段:当C充电后,相当于一个电源,这也是钳位电路的实际效果,即将电容电量维持在VP(in) - VB,电容电压本质是相当于一个与输入信号串联的电源。

第三阶段:如图所示,通过钳位电路将电容器的直流电压通过叠加的方式加到交流输入电压上

二、C51实现LED流水灯
1. 延时方法
C语言编程常用4种延时方法,包括两种非精确延时和两种精确延时:
(1)非精确延时:
-
for循环:for(i = 0; i < 100; i ++);
-
while循环:i = 100;while(i --);
(2)精确延时:
-
定时器延时(后面会学到)
-
库函数_nop_()延时,一个NOP的时间是一个机器周期的时间(后面会学到)
2. 流水灯实现程序
(1)注意:这里需要注意,自选教材《手把手教你学51单片机(C语言版)》种使用的是kst51单片机,而我使用的是普中的51单片机,两个单片机各模块的界限方法不一样,但是实现方法都是通的,这里个人觉得从教材上学习玩理论方法,在另一个引脚不同的单片机上自己摸索也是很好的(需要普中51单片机模块接线图和编程指南的可以关注微信公众号私信我),普中单片机LED模块接线如下:

(2)思路:从上图可以看出,LED小灯D1~D8由P2端口的P2.0-P2.7控制,若实现流水灯只需要先点亮D1,熄灭D2~D8(P2.0高电平、P2.1~P2.7高电平),延时一段时间,然后先点亮D2,熄灭D1/D3~D8(P2.1高电平、P2.0/P2.3~P2.7高电平),以此类推即可,在便变成的使用,可以使用按位左移(<<)的方法进行。
(3)LED流水灯代码


