【萤火工场GD32VW553-IOT开发板】ADC电压的LabVIEW采集
🔋 本文介绍了萤火工场 GD32VW553-IOT 开发板通过串口中断查询的方式采集 ADC 电压及温度转换数据,并进一步结合LabVIEW上位机实现数据自动采集和实时监测的项目设计。
项目介绍
- 串口中断查询,获取 ADC 电压数据,以及温度转换数据 🍦
- LabVIEW 上位机程序设计 🥧
- 开发板结合 LabVIEW上位机实现 ADC 电压和温度数据采集、实时演化曲线的显示、数据保存 🍫
硬件连接
- RXD -> PB15
- TXD -> PA8
- 3V3 -> VCC
- GND -> GND
示意图

实物连接

工程创建
-
运行
Embedded Builder软件,File-New-Project ...; -
选择
C/C++-C Project- 点击 Next ; -
设置工程名称、工程路径,目标设备选择
GD32VW553HMQ7,点击Finished完成工程创建。
流程图

工程代码
📊 打开 src/main.c 文件,修改代码如下
#include "gd32vw55x.h"
#include "systick.h"
#include <stdio.h>
#include "main.h"
#include "gd32vw553h_eval.h"uint16_t adc_value[2]; // storage adc valuevoid led_spark(void){}void rcu_config(void);
void adc_config(void);
void dma_config(void);
void usart_config(void);int main(void)
{/* system clocks configuration */rcu_config();/* systick configuration */systick_config();/* DMA configuration */dma_config();/* ADC configuration */adc_config();/* USART configuration */gd_eval_com_init(EVAL_COM0);usart_config();while (1){}
}/*!\brief USART interrupt function\param[in] none\param[out] none\retval none
*/
void USART0_IRQHandler(void) {static uint8_t comdata[3];static uint8_t com_index = 0;float temperature;float vref_value;if (usart_interrupt_flag_get(USART0, USART_INT_FLAG_RBNE)){uint8_t data = usart_data_receive(USART0); // 读取数据comdata[com_index++] = data;if (com_index >= 3){if(comdata[0] == 0x55){if(comdata[1] == 0xAA){switch(comdata[2]){case 0x10:while (!adc_flag_get(ADC_FLAG_EOC));vref_value = (adc_value[1] * 3.3f / 4096);printf("%5.3f\r\n", (double)vref_value);break;case 0x11:while (!adc_flag_get(ADC_FLAG_EOC));temperature = (1.43f - adc_value[0]*3.3f/4096) * 1000 / 4.3f + 25;printf("%2.2f\r\n", (double)temperature);break;}}}com_index = 0;}}
}/*!\brief Enable USART interrupt\param[in] none\param[out] none\retval none
*/
void usart_config(void)
{usart_interrupt_enable(USART0, USART_INT_RBNE); // 接收缓冲区非空中断eclic_irq_enable(USART0_IRQn, 0, 0); // 使能 USART0 中断usart_enable(USART0);
}/*!\brief configure the different system clocks\param[in] none\param[out] none\retval none
*/
void rcu_config(void)
{/* enable ADC1 clock */rcu_periph_clock_enable(RCU_ADC);/* enable DMA clock */rcu_periph_clock_enable(RCU_DMA);/* config ADC clock */adc_clock_config(ADC_ADCCK_PCLK2_DIV6);
}
/*!\brief configure the DMA peripheral\param[in] none\param[out] none\retval none
*/
void dma_config(void)
{/* ADC_DMA_channel configuration */dma_single_data_parameter_struct dma_single_data_parameter;/* ADC DMA_channel configuration */dma_deinit(DMA_CH0);/* initialize DMA single data mode */dma_single_data_parameter.periph_addr = (uint32_t)(&ADC_RDATA);dma_single_data_parameter.periph_inc = DMA_PERIPH_INCREASE_DISABLE;dma_single_data_parameter.memory0_addr = (uint32_t)(&adc_value);dma_single_data_parameter.memory_inc = DMA_MEMORY_INCREASE_ENABLE;dma_single_data_parameter.periph_memory_width = DMA_PERIPH_WIDTH_16BIT;dma_single_data_parameter.direction = DMA_PERIPH_TO_MEMORY;dma_single_data_parameter.number = 2;dma_single_data_parameter.priority = DMA_PRIORITY_HIGH;dma_single_data_mode_init(DMA_CH0, &dma_single_data_parameter);dma_channel_subperipheral_select(DMA_CH0, DMA_SUBPERI0);/* enable DMA circulation mode */dma_circulation_enable(DMA_CH0);/* enable DMA channel */dma_channel_enable(DMA_CH0);
}
/*!\brief configure the ADC peripheral\param[in] none\param[out] none\retval none
*/
void adc_config(void)
{/* ADC contineous function enable */adc_special_function_config(ADC_CONTINUOUS_MODE, ENABLE);/* ADC scan mode disable */adc_special_function_config(ADC_SCAN_MODE, ENABLE);/* ADC data alignment config */adc_data_alignment_config(ADC_DATAALIGN_RIGHT);/* ADC channel length config */adc_channel_length_config(ADC_ROUTINE_CHANNEL, 2U);/* ADC regular channel config */adc_routine_channel_config(0U, ADC_CHANNEL_9, ADC_SAMPLETIME_55POINT5);adc_routine_channel_config(1U, ADC_CHANNEL_10, ADC_SAMPLETIME_55POINT5);/* ADC trigger config */adc_external_trigger_config(ADC_ROUTINE_CHANNEL, EXTERNAL_TRIGGER_DISABLE);adc_tempsensor_vrefint_enable();/* ADC DMA function enable */adc_dma_request_after_last_enable();adc_dma_mode_enable();/* enable ADC interface */adc_enable();delay_1ms(1U);/* ADC software trigger enable */adc_software_trigger_enable(ADC_ROUTINE_CHANNEL);
}
🍟 保存代码,编译工程,生成 Debug 文件夹,右键 bin 文件 - Show In - System Explorer ,打开文件夹并获得 *.bin 固件。
固件上传
📡 采用 ISP 方式上传固件至开发板。
-
将 BOOT0 拉高,USB 转 TTL 工具连接开发板;
-
运行 GD32 All-In-One Programmer 软件;
-
设备端口选择、串口参数设置,设备名称选择 GD32VW553HMQ7 ,点击
Connect按钮(若连接失败,则短按复位键); -
加载镜像固件、设置起始地址,点击
Download按钮; -
待加载完成,跳帽恢复,将 BOOT0 拉低;
-
短按 RST 复位键,程序开始运行。
效果演示
📡 打开串口调试助手,配置串口参数,打开串口,即可观察到串口输出文本。
动态演示

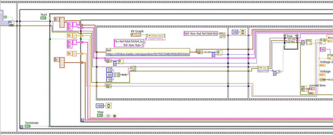
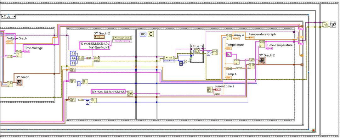
LabVIEW 上位机
🔎 LabVIEW 上位机的设计包括 前面板 和 程序框图 两部分。
🧵 结合开发板程序可知,
- 当串口接收到
55 AA 10指令时,反馈 ADC 电压数据; - 当串口接收到
55 AA 11指令时,反馈 ADC 温度数据。
🔮 由此通信协议,设计串口上位机程序,每隔 500 毫秒查询一次数据,并绘制演化曲线,实时监测电压和温度变化情况。
前面板
💡 前面板包括串口配置、仪表盘、演化曲线、保存路径、数组等模块。

操作流程
- 选择串口对应的设备端口号,设置波特率;
- 点击左上角箭头按钮,运行程序,设置数据采集保存文档的路径;
- 点击 START 按钮,开始采集数据和实时监测 ADC 电压和温度演化曲线;
- 采集完成后,点击 Stop 按钮结束,同时数据保存至预设路径;
- 点击 Terminate 按钮终止和退出程序。
程序框图
page 1

page 2

效果
🛠️ 程序开始运行后,左侧仪表盘显示实时采集的电压和温度数值,曲线绘制相应的数据点和演化曲线。

数据保存
🎨 数据保存为 dat 格式,其中第 1 列为日期时刻、第 2 列为 ADC 电压值、第 3 列为温度值。

总结
🔋 本文介绍了萤火工场 GD32VW553-IOT 开发板通过串口中断查询的方式采集 ADC 电压及温度转换数据,并进一步结合LabVIEW上位机实现数据自动采集和实时监测的项目设计,为相关嵌入式开发和自动化应用设计提供了参考。
