时源芯微专业EMC/EMI/EMS整改 EMC防护器件

一、ESD(静电放电)保护
作用:ESD保护是该滤波器的核心功能之一,它能够有效吸收和耗散静电能量,防止静电对USB端口及其连接的敏感电路造成损害。
原理:在USB接口的使用过程中,由于人体接触、环境干燥等因素,很容易产生静电。这些静电如果直接作用在USB端口上,可能会导致端口损坏或连接的电路出现故障。而带有ESD保护的复合共模滤波器能够将这些静电能量引导至地线,从而保护USB端口和连接的电路。
二、共模滤波
作用:共模滤波功能用于抑制共模噪声,即同时存在于差分信号线(如USB的D+和D-线)上的相同噪声。
原理:在USB通信中,共模噪声可能来源于电源线、其他电子设备或电磁干扰等。这些噪声会干扰信号的传输,导致数据错误或通信中断。复合共模滤波器通过其内部的电感和电容元件,能够形成一个低通滤波器,有效滤除共模噪声,提高USB信号的质量和传输的准确性。
三、信号和电源路径保护
作用:该滤波器不仅保护USB端口本身,还保护与之连接的其他电路和设备。
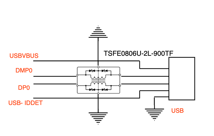
原理:在电路图中,您可以看到该滤波器被应用在USB端口的信号线(DMP0、DP0)和电源线(USBVBUS)上。这意味着它能够对整个USB接口的信号和电源进行保护。当USB端口受到静电或噪声干扰时,滤波器能够迅速作出反应,将干扰能量引导至地线或滤除噪声,从而确保USB接口的稳定性和可靠性。
总结:
带有ESD保护的复合共模滤波器(TSFE0806U-2L-900TF)在USB端口保护中起到了关键的防护作用。它结合了ESD保护和共模滤波两种功能,既能够防止静电对USB端口的损害,又能够抑制共模噪声对信号传输的干扰。同时,它还能够对USB接口的信号和电源进行全面保护,确保整个系统的正常运行。这种组合保护方案大大提高了USB接口的抗干扰能力和可靠性,是USB端口保护中不可或缺的一部分。
TSFE0806U-2L-900TF等效电路与推荐焊盘布局

TSFE0806U-2L-900TF规格参数:
| Part No. | Imp.Com. |
| Leak- | Rated | Rated | Capacit- | Insulation |
| TSFE0806U-2L-900TF | 90 | 6.0 | (Max)1.0 | 100 | 5.0 | 1.7 | 10.0 |
TSFE0806U-2L-900TF电器特征:


