一、原理介绍
IF是一种转速开环,电流闭环的控制方式。即通过控制交轴电流和电角频率的大小来实现对电机转速的控制的方法。IF控制是变频调速过程中通过保持电流稳定,避免电流过大或过小。IF控制可以直接控制转矩电流,提高了电机输出转矩与负载转矩的匹配能力,可以避免电机运行过程中出现低频振荡。但因电流幅值不能自动调节,存在易失步,电流利用率低等问题。依据IF开环控制理论,基于瞬时无功功率建立了单电流闭环IF控制,提高了电流利用率。
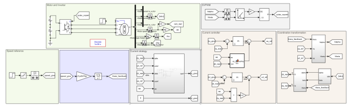
二、仿真模型
在MATLAB/simulink里面验证所提算法,搭建仿真。采用和实验中一致的控制周期1e-4,电机部分计算周期为1e-6。仿真模型如下所示:

仿真工况:电机空载零速启动,给定转速为斜坡信号,0.25s到达给定转速500rpm
(前者为开环IF,后者为单电流闭环IF)
2.1转速


2.2dq轴电流


2.3虚拟坐标系与实际坐标系转角误差


2.4三相电流


2.5 0.7s施加1N.m负载

在加载时候,有个波动过程,这是由于单电流闭环导致IF坐标系基本与实际坐标系重合,在施加阶跃负载时,有一个转矩的调节过程,并不影响系统稳定性。
单电流闭环IF控制实现了随转矩变化而自动调节电流幅值,提高了电流利用率。
