上一章地址
目录
上一章地址
第6章
第7章
第八章
第九章
第十章
第6章
1.字符串显示有哪4种显示形式?如何设置?
答:1). 正常显示:正常显示。
2).’\’代码显示:显示不可打印字符,如表6-1所示。
3). 密码显示:字符以“*”来代替。
4). 十六进制显示:字符以十六进制数显示。
2.数据存放有哪几种格式?各有什么优缺点?
答: LabVIEW支持以下4种文件格式:
1).二进制文件
二进制文件是最紧凑的数据存储文件格式,存取速度快。存取二进制格式文件必须把数据转换为二进制字符格式,二进制文件是字节流文件。
2).ASCII码文件
ASCII码文件也称文本文件,这种格式文件可以被任何文本编辑器打开,具有良好的直观性和兼容性。但是,用这种格式存储文件,在写文件前必须进行数值到字符串的转换。数据读出后,还必须进行字符串到数值的转换。ASCII码文件占用磁盘空间大,存取速度慢,是字节流文件。
3).数据记录文件
数据记录文件类似于数据库文件,它可以把不同的数据类型存储到同一个文件中,以记录的形式存储数据,每一个记录就是一个簇,一个记录中可以存储不同类型的数据,是块记录文件。
4).波形文件
波形文件包含波形数据特有的一些信息,如采样的起始时间t0、采样步长dt等,是块记录文件。
一个流文件可以在文件末尾追加一个新的数据,也可以在文件任何地方覆盖一些数据。一个块记录文件只能在文件末尾追加或删除一个记录,不能在任意位置覆盖一个已有的记录。
3.创建一个字符串显示件,程序运行后显示系统当前日期、时间和班级、姓名。

4.设计一个程序,当输入密码正确时显示“OK”,当输入密码错误时显示“从新输入密码”。


5. 设计一个VI程序,用波形图显示幅值分别为1和3的两条正弦波,并将波形数据写入电子表格文件。


6. 设计一个VI,读取习题5存储的电子表格文件。


7.产生锯齿波数据并记录为波形文件。


8.将锯齿波波形文件中的数据读取出来并用图表显示。


第7章
1. 在程序前面板上创建一个数值型控制件,为它输入一个数值(-5到5之间),编写程序使得0通道输出这个数值的电压。



第八章
1. 设计一个虚拟信号发生器,能够产生正弦波、方波、锯齿波、三角波,要求参数如下:
频率范围:0.1Hz~10KHz
幅度值:0.1~5V
初始相位:0°~180°
采样点数:N=100~512
方波占空比50%。


- 曲拟合线有什么用处?
答:曲线拟合具有广泛的应用,例如:
- 消除测量噪声;
- 填充丢失的采样点;
- 在采样点之间时间差距可以忽略时,对采样点之间数据进行估计;
- 在实验后,对采样范围之外数据进行估计;
- 数据合成,在知道曲线若干个离散采样点时,找出曲线的范围。
曲线拟合就是找出一系列参数a0,a1,…,通过这些参数来模拟实验结果。
- 设计一个虚拟积分器,可以观察方波在积分前后的波形。


- 设计一个虚拟微分器,可以观察方波在微分前后的波形。


- 设计一个切比雪夫频率特性演示仪,可以观察切比雪夫低通滤波器的幅频特性。


第九章
- 在程序前面板上创建一个数值型控制件,为它输入一个数值;把这个数值乘以一个比例系数,再由同一个控件显示出来。


- 用一个波形图表显示随机数。用前面板控制件控制chart的大小和位置。


- 前面板上放一个压力表,指针位置在0~255之间随机变化,指针颜色同时发生变化。


-
第十章
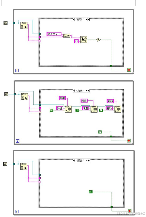
1. 编写一个VI,其菜单结构如右图所示。菜单行为如下:
1)当VI初始运行时,升温和降温两个菜单项处于无效(Disable)状态,当用户点击启动菜单项后,这两个菜单变为使能(Enable)状态,同时启动菜单项变为无效状态;
2)点击退出按钮停止VI运行;
3)点击其它按钮,弹出如右下图所示的对话框;
4)要求最好用事件结构实现。
答:首先编写菜单,如下图所示。



然后在编写程序,前面板和流程图如下图所示。



2. 写一个能够传递错误的子VI,子VI的功能是a+b=c,当有错误输入时,错误直接输出,c输出为0。当无错误输入时,进行正常计算。



关注作者了解更多
我的其他CSDN专栏
误差理论与可靠性工程
过程控制系统
虚拟仪器技术labview
毕业设计
求职面试
大学英语
过程控制系统
工程测试技术
虚拟仪器技术
可编程控制器
工业现场总线
数字图像处理
智能控制
传感器技术
嵌入式系统
复变函数与积分变换
单片机原理
线性代数
大学物理
热工与工程流体力学
数字信号处理
光电融合集成电路技术
电路原理
模拟电子技术
高等数学
概率论与数理统计
数据结构
C语言
模式识别原理
自动控制原理
数字电子技术
关注作者了解更多
资料来源于网络,如有侵权请联系编者
