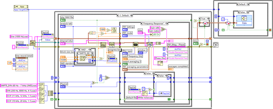
基于 LabVIEW 开发的专业声音与振动信号分析工具,通过读取 WAV 格式音频文件,实现对信号的多维度分析与测量。将复杂的声学与振动分析算法集成于图形化界面中。程序具备以下核心能力:

-
信号读取与回放:持续读取指定路径下的 WAV 文件,并支持实时音频播放
-
多维分析能力:涵盖频谱分析、失真度测量、频率响应测试与时频分析四大领域
-
智能文件匹配:针对特定分析类型(如频响函数测量)自动关联匹配的双通道数据
-
结果可视化:通过波形图、频谱图、瀑布图等多种形式直观展示分析结果
核心功能模块
1. 信号加载与预处理层
-
内置防抖动算法处理采样率不匹配问题
-
支持多通道信号的同步采集与解析
2. 分析功能矩阵
| 分析类型 | 技术细节 | 应用场景示例 |
| 基带 FFT | 1024/2048/4096 点可选,支持汉宁 / 布莱克曼等 5 种窗函数 | 噪声源识别 |
| Zoom FFT | 局部频谱细化分析,频率分辨率达 0.1Hz | 齿轮箱故障特征频率精确提取 |
| 1/3 倍频程 | 符合 IEC 61260 标准,自动计算各频带声压级 | 环境噪声评价 |
| 频率响应 | 双通道互谱法计算 H1/H2 传递函数,自动补偿相位延迟 | 扬声器频响曲线测试 |
| THD+N | 谐波次数可设(默认 10 次),分离基波与谐波能量 | 功率放大器非线性失真评估 |
| IMD | 双音互调测试,自动计算 2f1-f2、2f2-f1 等互调产物 | 音频混频器性能验证 |
| STFT 时频分析 | 窗口长度自适应算法,时频分辨率动态平衡 | 电机启动过程瞬态分析 |
3. 限值测试子系统
-
支持时域(RMS / 峰值)与频域(特定频率成分)双维度监测
-
三级报警机制:警告(黄)→ 报警(红)→ 紧急停机(声光电联动)
-
历史超限数据自动归档,支持趋势分析
-
采用三线程设计实现 I/O、计算、显示分离
-
环形缓冲区容量动态调整(默认 1024 帧)
-
基于 LabVIEW DVR 技术的低延迟数据传输
技术优势
-
算法优化
-
采用重叠 FFT 算法提高频谱分析频率分辨率
-
自适应阈值降噪技术增强弱信号特征提取能力
-
多线程并行计算使复杂分析任务效率提升 40%
-
-
用户体验设计
-
智能文件关联:自动识别双通道 WAV 文件中的输入 / 输出信号
-
一键分析:预设常用分析参数组合,减少重复配置
-
结果可视化模板:支持自定义报告模板导出功能
-
-
系统扩展性
-
预留 DAQ 硬件接口,支持后续升级为在线监测系统
-
开放分析算法接口,可集成第三方信号处理库
-
支持分布式部署,通过 DataSocket 实现远程协同分析
-
典型应用场景
-
声学产品研发
-
扬声器频率响应与失真度测试
-
耳机隔音效果评估
-
麦克风指向性模式分析
-
-
机械健康监测
-
轴承故障特征频率识别(通过振动信号)
-
电机转子不平衡检测
-
齿轮箱啮合频率监测
-
-
环境噪声控制
-
工业厂区噪声源定位
-
建筑声学性能验证
-
交通噪声频谱特性分析
-
-
教育科研领域
-
信号处理课程实验平台
-
语音特征提取研究
-
振动控制算法验证
-
使用进阶
-
高级参数配置
-
分析带宽设置:根据信号特性选择合适的 FFT 点数
-
窗函数选择指南:汉宁窗(通用)、矩形窗(瞬态信号)、布莱克曼窗(高精度频谱)
-
平均方式优化:线性平均适合稳定信号,指数平均突出瞬态变化
-
-
测量精度提升
-
采样率匹配:确保分析带宽覆盖感兴趣频率范围
-
信号预滤波:使用内置抗混叠滤波器去除高频噪声
-
校准程序:定期使用标准信号源进行系统校准
-
-
自动化测试方案
-
批量处理:结合 LabVIEW 的 For 循环实现多文件自动分析
-
结果比对:内置测量结果数据库,支持历史数据对比分析
-
报警脚本:自定义超限处理逻辑,实现自动化响应
-
技术规格与限制
-
系统要求
-
LabVIEW 2018 及以上版本
-
Sound and Vibration Toolkit 2020 Q4
-
推荐配置:Intel i5 以上 CPU,8GB RAM,独立显卡
-
-
性能指标
-
频率分析范围:0.1Hz-20kHz(取决于采样率)
-
幅度测量精度:±0.5dB
-
频率分辨率:最高达 0.01Hz(Zoom FFT 模式)
-
实时处理能力:支持 192kHz 采样率的单通道信号
-
-
已知限制
-
暂不支持压缩音频格式(如 MP3)
-
长时间分析大文件可能导致内存占用过高
-
复杂环境下的本底噪声消除需手动设置参数
-
故障排除
-
常见错误代码
-
Error 200011:WAV 文件格式不兼容(建议转换为 16/24 位 PCM 格式)
-
Error 200037:内存不足(关闭其他程序或增加系统虚拟内存)
-
Error 200054:分析参数冲突(检查采样率与 FFT 点数匹配性)
-
-
性能优化建议
-
关闭不必要的视觉特效(通过选项菜单设置)
-
定期清除临时文件(存储在 % temp%/NI_Analysis 目录)
-
使用固态硬盘存储大型 WAV 文件
-
此 VI 通过将专业的声学与振动分析技术封装为图形化操作界面,显著降低了工程师使用门槛,同时保持了测量精度与分析深度。其模块化设计与可扩展性确保了在不同行业的适应性,是声音与振动工程领域的实用工具。
