型号是S13131-1536:

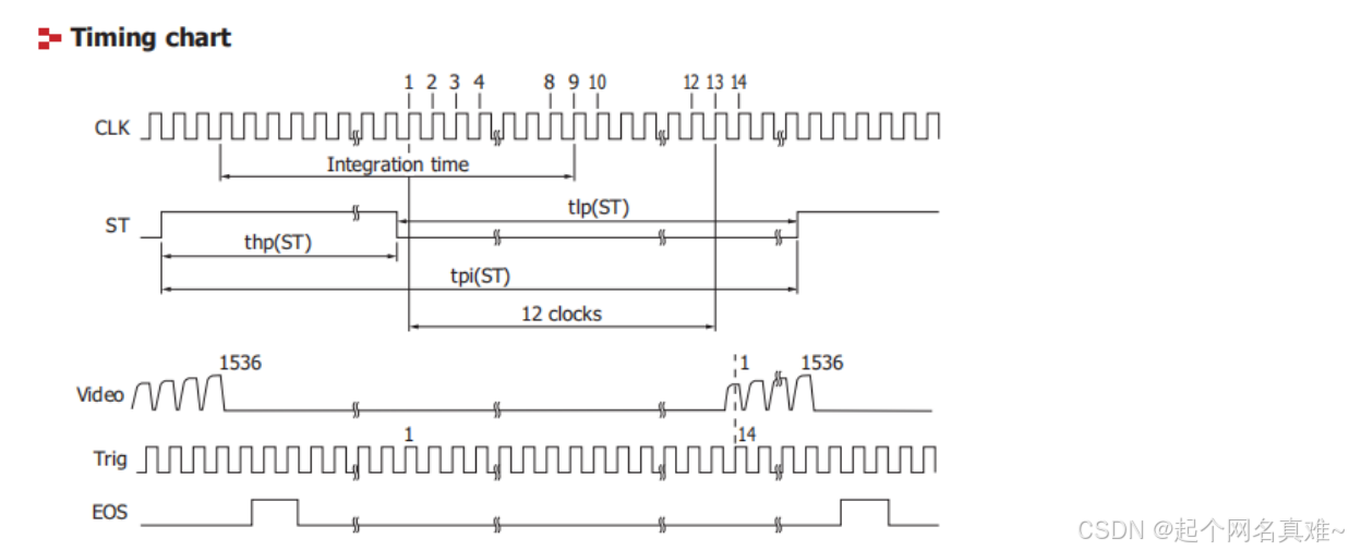
时序图
〇Video:是信号输出。
①CLK:是时钟信号,官方手册上给的最大2MHZ(1/fus)
②EOS:是当信号输出后,这个信号会被拉高。
③Trig:这个是在ST信号在拉低后数14个周期开始输出Video。
④ST:这个控制积分时间,在ST为低电平的时候移位寄存器输出一次信号(在Trig14个信号开始输出),后面等带ST拉高,进行曝光(这里的曝光就是采集光的时间,实际就是积分时间),
积分时间等于ST的高电平时间+6CLK时钟周期
二读取所有像素:

①计算ST脉冲周期:1552/2MHZ=776us;
②ST拉高脉冲周期:776-16/f=768us,这里的16/f是官方规定的最小启动ST拉低的时间,总时间减去拉低的时间就是ST拉高的时间。
注:关于电荷什么时候清除的问题:到一次曝光时间到了后拉低ST,一直保持拉低,然后将收到的数据清零就行了,直到需要下一次数据再进行曝光,曝光一次数据可能需要1ms左右。
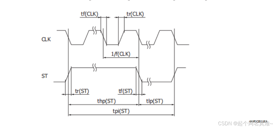
三、官方最小时间图


四、驱动电路图

五、引脚

六、对应的光照图

