LabVIEW机器视觉图像采集与日志记录 VI 附件有源程序 - 北京瀚文网星科技有限公司 附件参见这个链接
该VI实现机器视觉图像的连续采集、缓冲区管理及图像日志记录,支持从相机(或图像源)获取图像流,经缓冲处理后按配置参数(如帧率、存储格式等)保存图像文件,适用于工业视觉检测、图像数据采集场景。

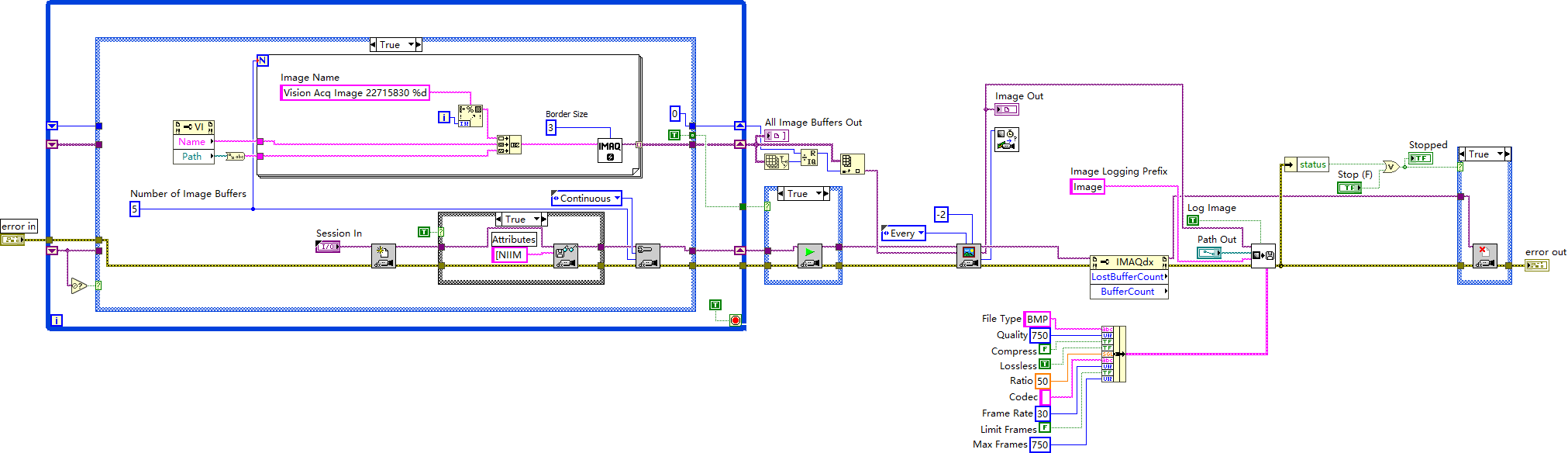
模块解析
1. 图像采集初始化(左侧模块)
-
图像缓冲配置:通过
Number of Image Buffers(设为 5)创建图像缓冲区队列,配合Continuous模式实现连续图像流采集,避免丢帧风险; -
图像预处理:
IMAQ函数结合Border Size(设为 3 ),可对采集图像做边界调整(如去噪、裁剪补偿),优化图像质量; -
会话管理:
Session In关联相机(或图像设备)会话,确保采集链路与硬件 / 虚拟设备稳定连接。
2. 图像缓冲与流处理
-
缓冲区调度:
All Image Buffers Out配合条件结构,实现采集 - 处理 - 释放的缓冲流转,LostBufferCount反馈丢帧状态,用于监控采集稳定性; -
图像输出控制:通过
Every(设为 2)等参数,按间隔筛选图像进入日志模块,平衡采集效率与存储压力。
3. 图像日志记录
-
存储参数配置:支持
BMP格式存储,可设置Quality(750 )、Ratio(50 )等编码参数,适配不同画质、存储容量需求; -
流程控制:
Stop (F)布尔控件触发停止,status反馈日志状态,Path Out输出存储路径,实现图像文件的有序归档。
应用场景
-
工业检测:产线视觉检测中,连续采集工件图像,按间隔存储异常帧,辅助缺陷追溯;
-
科研实验:图像传感器数据采集,通过缓冲管理稳定获取高速图像流,按配置保存实验数据。
